Ga naar inhoud

Doorzoek de community

Toon resultaten voor tags 'z80'.

  • Zoek op tags

    Typ tags, gescheiden door komma's
  • Zoek op auteur

Inhoudstype


Forums

  • Retroforum
    • Nieuws & Mededelingen van de crew
    • Retrocommunity
    • Retro evenementen
    • ID Contests
  • Games
    • Games & Consoles
    • Rate the games
    • Forumspelletjes
  • Media
    • Computers
    • Film & TV
    • Muziek
    • Elektronica
  • Overig
    • Retro algemeen
    • English Retroforum
    • Actualiteiten
    • Sport & Sportpools
    • Marktplaats
  • Archief
    • Bassie & Adriaan archief
    • Retroforum archief

Zoek resultaten in...

Zoek resultaten die het volgende bevatten...


Datum aangemaakt

  • Start

    Einde


Laatste update

  • Start

    Einde


Filter op aantal...

Registratiedatum

  • Start

    Einde


Groep


Locatie


Console


Facebook


Twitter


Interesses

2 resultaten gevonden

  1. De titel zegt het al: bestaat er zoiets? Ik ken het adresboekje, dat bevat volgens mij meer info over wat welk (systeem) RAM adres voor functie heeft. Mocht ik in een verkeerd forum zitten dan hoor ik graag waar het wel zou horen!
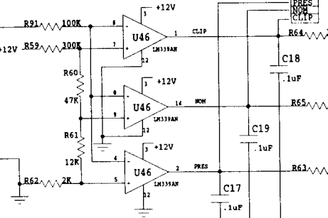
  2. Een Retro Electronica Reparatie Topic. Dat is een hele waffel vol. Maar ja, hoe wil je het anders noemen? Ben je bezig met een wat grotere reparatie, of heb je deze klaar? Post het hier!. Zoals gewoonlijk begint de topic starter..... In een lang grijsch verleeden, gaf @djkoelkast mij ooit een "effectenbak" om na te kijken. Hij was zelf met de condensatoren aan het stoeien geweest, maar kreeg er sindsdien geen fatsoenlijk geluid uit. Het beestje bromde eigenlijk alleen nog maar. Dagen verstreken, en maanden vergrijsden, en de "effectenbak" lag alleen nog maar koud te lijden en stof te happen bij mij in de schuur. Dit omdat het mij aan een echte werkplek ontbrak. Na de zolder opgeruimd te hebben, heb ik daar een elektronicawerkplaats van gemaakt. Hierdoor was het voor mij eindelijk mogelijk om ook fatsoenlijk meetgereedschap aan te schaffen (want dat laat je niet in een koude vochtige schuur staan), en eindelijk met de "vergeten" projectjes te beginnen. Maar goed een "effectenbak", wat is dat nu eigenlijk? Deze bak ik eigenlijk een ART MultiVerb Alpha 2.0, zoals te zien in onderstaand plaatje: Wat doet deze machine? Tsja, het vervormt geluid zeg maar, op maar liefst ontelbaar verschillende manieren, je kunt er echt van alles instellen... De diagnose: Het eerste wat ik gedaan heb, is de unit compleet gedemonteerd, zodat ik alle componenten van elkaar op tafel kon leggen. Hierna ben ik voltages gaan meten, zoals deze vermeld stonden op het schema. Gelukkig bestaat het bedrijf nog steeds, en waren ze zo vriendelijk om mij een kopie van een schema te sturen van de MultiVerb Alpha 1.0, deze zit op een paar wijzigingen na het zelfde in elkaar. Na het meten van alle voltages kwam ik tot de conclusie dat de -12V lijn niet aanwezig was, hierdoor kregen de opamps (Operational Amplifiers) niet de goede voedingsspanning, en als er wat aangesloten was. was er een luide brom te horen. Dit was ook te zien aan de VU-meter op het paneel, deze stond altijd vol aan. Vanaf hier begonnen te meten vanaf de bron (de trafo). Het benodigde voltage was aanwezig tot condensator C4, hierna was er niets meer over. Nu viel me achter op de print al een vreemd draadje op, waarvan ik al dacht dat deze er niet thuis hoorde... Na enig meet en demontagewerk de fout gevonden .... Helaas was er bij het vervangen de van de condensatoren een spoortje defect geraakt, en was er onder op het bord een bruggetje geplaatst, zoals hierboven te zien is...Echter....was het bruggetje aangesloten op de verkeerde plek, waardoor er feitelijk (en gelukkig) niets gebeurde. Na de brug op de juiste plek gesoldeerd te hebben, kwam de -12 volt weer terug, maar een ding viel op, het rode CLIP lampje bleef continue branden, terwijl de rest uit was. (Let niet op het knipperen van het rode lampje, deze lampjes zijn "gecharlieplexed" waardoor de camera dit als aan/uit opvat, in werkelijkheid is deze continue aan) Het groene lampje reageert correct, omdat mijn hand als een antenne werkt en een signaal opwekt,.. Maar goed, het schema maar weer in. De 3 ledjes worden aangestuurd door een comparator, ofwel heel simpel gezegd een vergelijker. Voor elk ledje zijn er 2 poorten, een waar via een weerstandje een vast voltage opstaat, en een waar het signaal op staat... Voor het rode lampje, staat er op pootje 7 van U46 2,3 volt, als het signaal op pootje 8 boven de 2,3 volt komt, dient pootje 1 van U46 geleidend te worden, en zo het ledje aan te sturen. Helaas voor U46 was pootje 1 altijd wat actief, waardoor het ledje altijd bleef branden... Helaas heeft U46 de operatie niet overleefd, maar er is ook goed nieuws.... Een nieuwe KA339 neemt de taken in het gevolg waar.... (LM339 equivalent), en alle lampjes werken weer..... In het volgende deel besteed ik aandacht aan het monteren van een nieuwe batterijhouder, het weer opbouwen van de unit. Voor nu al een kleine preview wat deze machine kan ... TO-DO lijst: Batterijhouder monteren Rommel onder C7 wegpoetsen (elektrolyt) Aansluitingen van de trafo fatsoenlijk maken, aardedraad naar behuizing netjes monteren Unit resetten en kijken of batterij zijn werk doet Unit afbouwen Nieuw netsnoer monteren
×
×
  • Nieuwe aanmaken...